
| 產品名稱 | GJ-X67 | ||
| 外形圖例 | ![]() | ||
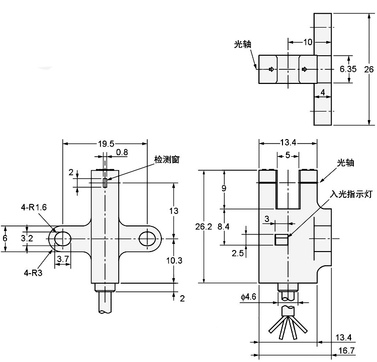
| 外形尺寸 | ![]() | ||
| 投光元件 | 紅外線LED | ||
| 電源電壓 | DC5~24V+10% 紋波(p-p) 10%以下 | ||
| 消耗電流 | 15mA 以下 | ||
| 控制輸出 | 輸出形態 | NPN集電極開路輸出 | PNP集電極開路輸出 |
Zui大流入電流: 100mA | Zui大源電流: 50mA | ||
| 外加電壓: 30V DC以下(輸出和OV之間) | 外加電壓: 30V DC以下(輸出和+V之間) | ||
| 剩余電壓:> 0.8V(流入電流為100mA時) | 剩余電壓: 1.3V以下(源電流為50mA時) | ||
| >0.4V(流入電流為40mA時) | 0.4V以下(源電流為16mA時) | ||
| 輸出動作 | NO/NC 可切換 | ||
| 指示燈 | 紅外LED (入光亮燈) | ||
| 保護電路 | 電源逆接保護、輸出短路保護 | ||
| 環境性能 | 保護構造 | 接插件型: IEC-IP50 導線型: IP67 EC60529規格 | |
| 環境照度 | 受光面照度 熒光燈: 1,000lx以下 | ||
| 環境溫度 | 工作時: -25~ +55°C 保存時: -30~ +80C(無結冰、結露) | ||
| 環境濕度 | 工作時: 5~85%RH 保存時: 5~95%RH(無結冰、結露) | ||
| 絕緣電阻 | 20MQ以上(DC250V兆歐表) | ||
| 耐電壓 | AC1,000V 50/60Hz 1min | ||
| 耐振動 | 頻率10~2,000Hz 雙振幅1.5mm XY和Z方向各2小時 | ||
| 耐沖擊 | 加速度15,000m/s~(約1,500G) XY和Z方向各3次 | ||
| 連接方式 | 接插件型、導線引出型(標準導線長 1m) | ||
| 材質 | 外殼 | 外殼: 聚對苯二甲酸丁二醇(PBT); 狹縫透光(投、受光部): 聚碳酸 | |
| 電纜 | 直徑0.09mm*4芯 耐彎曲,耐油,耐熱型橡皮電纜 (Zui長3米) | ||
| 重量 | 接插件型約3g; 導線引出型約18g | ||
| 注:響應頻率測定的是旋轉右側圓板時的值。 | |||